商铺名称:上海幸萌工贸发展有限公司
联系人:余小姐(小姐)
联系手机:
固定电话:
企业邮箱:xmgm@xm-motor.com
联系地址:上海市松江区九亭镇涞坊路2185号3号楼407室
邮编:210101
联系我时,请说是在新塑胶网上看到的,谢谢!





使用须知
一.安装方向可在水平位置任意选择,亦可垂直方向安装。尽量选择震动小的位置。
二.接管
1.安装之前,用洁净的压缩空气把管内的杂质吹除干净。
2.执行器和电磁阀之间的管路要尽量的短,这样既节约了压缩空气又可以加快执行器的动作时间。
三.环境
1.本系列阀要避免在以下环境中使用。
2.高于80℃或受红外线照射的环境
四.润滑
本系列为不需油润滑阀,但是可使用防锈汽轮机油或其它等同品润滑。
五.低工作频率
至少30天动作一次。如本产品存放时间过长,低气压工作可能会引起动作困难。
请先用高于0.5MPa的气压动作几次,然后再用设定的气压。
六.特点
1.可以无油工作。
2.寿命长,实验室条件下千万次以上。
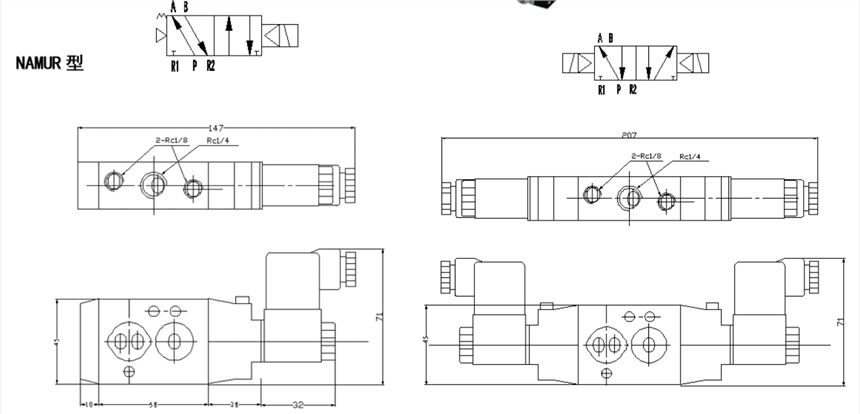
3.NAMUR型二位三通、二位五通互换。
HV-311MD HV-311MN HV-311ID HV-311IN HV-312MD HV-312MN HV-312ID HV-312IN
HV-313MD HV-313MN HV-313ID HV-313IN HV-315MD HV-315MN HV-315ID HV-315IN
HV-318MD HV-318MN HV-318ID HV-318IN HV-321MD HV-321MN HV-321ID HV-321IN HV-322MD HV-322MN HV-322ID HV-322IN
HV-323MD HV-323MN HV-323ID HV-323IN HV-325MD HV-325MN HV-325ID HV-325IN
HV-328MD HV-328MN HV-328ID HV-328IN
HV-511MD HV-511MN HV-511ID HV-511IN HV-512MD HV-512MN HV-512ID HV-512IN
HV-513MD HV-513MN HV-513ID HV-513IN HV-515MD HV-515MN HV-515ID HV-515IN
HV-518MD HV-518MN HV-518ID HV-518IN HV-521MD HV-521MN HV-521ID HV-521IN HV-522MD HV-522MN HV-522ID HV-522IN
HV-523MD HV-523MN HV-523ID HV-523IN HV-525MD HV-525MN HV-525ID HV-525IN
HV-528MD HV-528MN HV-528ID HV-528IN