批发明丽MA-100喷枪喷胶机流水线食品纺织胶水简易型自动喷枪头
批发明丽MA-100喷枪喷胶机流水线食品纺织胶水简易型自动喷枪头
产品价格:¥480.00(人民币)
  • 规格:MA-200(2.0mm口径)
  • 发货地:广东东莞
  • 品牌:
  • 最小起订量:1
  • 免费会员
    会员级别:试用会员
    认证类型:企业认证
    企业证件:通过认证

    商铺名称:东莞市东泽涂装工具有限公司

    联系人:(先生)

    联系手机:

    固定电话:

    企业邮箱:3494210343@qq.com

    联系地址:广东省东莞市长安镇横安路67号2栋501室

    邮编:

    联系我时,请说是在新塑胶网上看到的,谢谢!

    商品详情
      产品参数
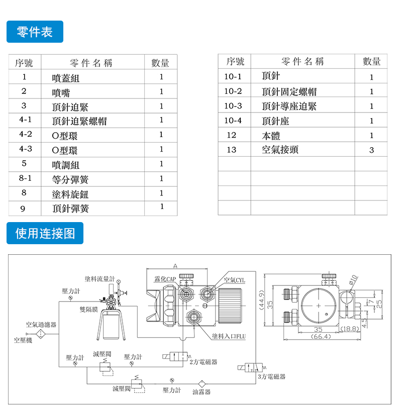
      型号MA-100/MA-200
      是否进口
      长度30mm
      重量0.24kg
      空气接头尺寸10
      适用范围医药、食品、纺织、塑料、橡胶等行业喷涂
      产地东莞
      颜色红色
      功能用途色漆、橡胶漆、PU漆、UV漆、光油、导电漆、清漆、铁氟龙、水性漆、等涂料喷涂
      是否定制
      订货号MA-100/MA-200
      类别自动喷枪
      空气压力0.25-0.3 Mpa
      喷幅大小190-245mm
      涂料喷出量150-310ml/min
      涂料供给方式压送式
      口径0.8/1.0/1.2/1.3/1.5/1.8/2.0/2.5mm
      品牌明丽喷枪












    0571-87774297