四川磨机绕线电机转子补偿器兆复安MP系列静止式无环流进相器
四川磨机绕线电机转子补偿器兆复安MP系列静止式无环流进相器
产品价格:¥3(人民币)
  • 规格:MP-240/0.38
  • 发货地:襄阳
  • 品牌:
  • 最小起订量:1台
  • 免费会员
    会员级别:试用会员
    认证类型:企业认证
    企业证件:通过认证

    商铺名称:湖北省兆复安电气自动化科技有限公司

    联系人:商金宸(先生)

    联系手机:

    固定电话:

    企业邮箱:18271228725@139.com

    联系地址:襄阳市樊城区中航大道南站

    邮编:441000

    联系我时,请说是在新塑胶网上看到的,谢谢!

    商品详情

      绕线电机转子补偿器兆复安MP系列静止式无环流进相器

       

           兆复安电气MP系列静止式无环流进相器是专为大中型绕线式异步电机节能降耗设计的无功功率就地补偿装置,应用于各种负载场合。

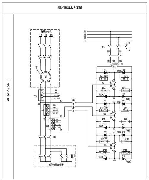
       MP系列静止式无环流进相器串接在电机转子回路中,通过采集电机的运行电流、电压信号判断电机的运行状态,并将此状态信息与转子电流传感器采集到的转子电流信号及工频电压提供的同步信号同时送入单片机进行处理,根据电机的运行状态自动调整补偿量,实现动态补偿。适时发出的触发指令并经过触发板的放大,控制由12只晶闸管组成的交—-交变频装置,将工频电源变为和转子电流同频率,并且相位超前的电势叠加到电机转子回路中,改变转子电流与转子电压的相位关系,通过磁场进而改变电机定子电流与定子电压的相位关系,减小功率因数角,最终使电机本身的功率因数得以提高,定子电流得以下降,达到对绕线电机补偿的目的。

       

      MP系列静止式无环流进相器可广泛适用于水泥、化工、木业、糖业、钢铁、冶金、矿山等行业中7510000KW 绕线式异步电动机的无功就地补偿。

      性能特点:

      ● 突破性地解决了绕线电机就地补偿的难题,填补了国内这一领域的技术和产品空白。

      ● 采用先进的交—交变频技术和微机控制技术,可靠性高。

      ● 可使电机功率因数提高到 0.950.99 之间的范围,无功功率降低 60%以上。

      ● 降低电机定子电流 10%20%,降低线损、铜损 20%-30%

      ● 电机温升显著降低,效率及过载能力大大提高,电机使用寿命延长。

           ● 补偿性能远优于电容补偿:不只是提高了线路的功率因数,更重要的是提高了电机本身的功率因数。

           ● 综合性能优于旋转式进相机:微机控制,可自动跟踪电机运行状态变化并自动调整相关参数使补偿效果最佳;无转动部件,因而适应环境的能力更强。

      产品方案:


       

       

      产品选型:

       

      进相器型号

      适配电机参数

      额定转子电流(A

      额定功率(KW

      额定电压(V

      MP-400

      420

      245

      380

      MP-400

      420

      245

      3000

      MP-600

      420560

      245570

      380

      MP-600

      420560

      245570

      3000

      MP-800

      560750

      5701250

      380

      MP-800

      560750

      5701250

      3000

      MP-1000

      800900

      12502500

      3000

      MP-1200

      9001100

      12502500

      3000

      MP-1400

      11001300

      25004000

      3000

      MP-1600

      13001500

      25004000

      3000

      MP-1800

      15001700

      25004000

      3000

      MP-2000

      17001900

      40006000

      3000

      订货时需提供:

      电机型号、额定功率、额定定子电压、额定定子电流、额定转子电压、额定转子电流、负载类型等。

      柜体表面颜色;

      根据用户需要,可配套提供本公司高、低压开关柜、WYQ ZYQSYQMWLS系列液体电阻起动器;

      若用户有特殊要求,请与我公司协商订货。

       

       

    0571-87774297