m12尼龙塑胶2芯前锁公母插针头座电线缆动池盒开关pg防水面板端子
m12尼龙塑胶2芯前锁公母插针头座电线缆动池盒开关pg防水面板端子
产品价格:¥3.45(人民币)
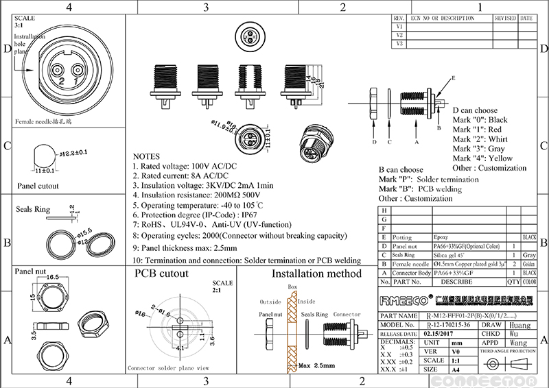
  • 规格:R-M12B-XFM\/XFF-F2芯前公
  • 发货地:广东广州
  • 品牌:
  • 最小起订量:1
  • 免费会员
    会员级别:试用会员
    认证类型:企业认证
    企业证件:通过认证

    商铺名称:广州睿玛科防水电器股份有限公司

    联系人:张先生(先生)

    联系手机:

    固定电话:

    企业邮箱:877361529@qq.com

    联系地址:广州市萝岗区科学城开源大道188号四栋

    邮编:510000

    联系我时,请说是在新塑胶网上看到的,谢谢!

    商品详情
      产品参数
      型号R-M12B-XFM/XFF-F
      封装/规格P=14.5mm
      间距1.0
      排数2/3/4/5/6/8P
      每排PIN数2/3/4/5/6/8P
      安装方式直针
      额定电流8A/5A/3A
      额定电压220V
      线规-AWG20~24
      线规-mm20.8~1.2
      触头材质优质铜实芯针
      触头镀层镀金
      工作温度范围-25~ 85°C
      焊接温度(最大值)150°C
      颜色黑色
      包装盒装
      认证机构3C
      最小包装量1
      数量1个
      封装密封装袋
      批号202407261623
      品牌RMEECO

















    0571-87774297