商铺名称:泰兴市昌泰减速机有限公司
联系人:薛先生(先生)
联系手机:
固定电话:
企业邮箱:1553918336@qq.com
联系地址:泰兴市姚王镇鲁堡
邮编:225400
联系我时,请说是在新塑胶网上看到的,谢谢!
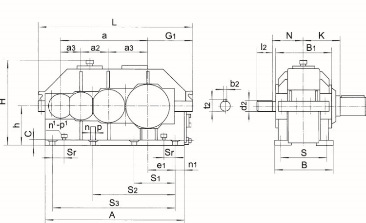
QY3D450-71-V起重机用硬齿面减速机是大功率,大转矩减速机,适用于船厂,港口,钢厂,水泥,锻造厂等重载场合,用于起重机各运行机构。
QY3D450起重机用硬齿面减速机,为三级传动,底脚卧式安装,考虑起重机各机构的工作特点,传动范围,进一步提高产品性能,采用较少规格满足用户多方面的要求,其特点为:
1、承载能力高,齿轮采用渗碳,淬火,磨齿加工,承载能力比调质滚齿的软齿面和中硬齿面齿轮减速器有大幅提高
2、体积小,重量轻,相同承载能力减速器与软齿面和中硬齿面相比,可降低2-4个相当机座号
3、效率高,噪声低,振动小,磨齿提高了精度等级,齿轮又进行了修缘,每级齿轮的综合效率为0.98,振动和噪声显著降低
4、采用多级数,减少单级速比,拉开中心距,降低减速器整机高度,满足起重机各机构的要求。
5、可正反两向运转
6、箱体为钢板焊接壳体,承载扭力大
QY起重机减速机型号有:QY3S,QY4S,QY34S,QY3D,QY4D,QY34D,QJY起重机减速机型号有:QJY2,QJY3,QJY23,QJY34,QJYD2,QJYD3,QJYD23,QJYD34,QJYA2,QJYA3,QJYA23,QJYA34,以上型号均为起重机用硬齿面减速机,适用于起重机,大车,龙门吊等各运行机构,承载力大,寿命长。泰兴昌泰减速机大量供应,交货快,质量好,性能稳,并在大量QY减速机高速轴,小齿轮,中齿轮,大齿轮,中间轴配件,包能安装,可配套泰隆,泰星同型号减速机上,欢迎咨询!








