商铺名称:杜安环保设备(江苏)有限公司
联系人:李男(先生)
联系手机:
固定电话:
企业邮箱:63582753@qq.com
联系地址:六合区雄州工业园区腾飞路
邮编:211500
联系我时,请说是在新塑胶网上看到的,谢谢!
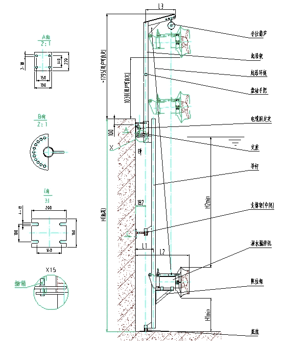
潜水搅拌机QJB4/12-620/3-480S安装尺寸
污水搅拌器QJB4/12-620/3-480S
潜水搅拌机使用说明书
电机功率:4KW
叶轮直径:620mm
叶轮数目:3片
材质:SU304不锈钢

江苏杜安环保潜水搅拌机的操作说明:
在进行设备使用之前保证潜水搅拌机与电源切断,并且没有其他的意外操作,为了避免受伤,务必要留意损坏和磨坏的机械零件的安全状态,这样才能够保证整个机器的稳定性,确保他不会向下滚动或者是倒下,这样可能会对操作人员造成一定的伤害.
冲压式潜水搅拌机又被称为潜水推进器,它可以用在污水处理厂的工艺流程中推进搅拌,还有悬浮物的污水能够加强搅拌的功能,可以防止污泥沉淀,因此它可以用在很多工业化工生产的过程之中,但是如果对这些设备进行长期的使用而不进行保护和维护,那么很可能是他的效率降低,以至于到后他会被废弃,所以必须要能够采取正确的维护工作。
冲压式潜水搅拌机的安装使用防护措施,一定要在进行设备使用之前保证潜水搅拌机与电源切断,并且没有其他的意外操作,为了避免受伤,务必要留意损坏和磨坏的机械零件的安全状态,这样才能够保证整个机器的稳定性,确保他不会向下滚动或者是倒下,这样可能会对操作人员造成一定的伤害,所以人们在进行操作的时候,冲压式潜水搅拌机定期检查与维护,可确保潜水搅拌机的操作更加的可靠。
江苏杜安环保QJB潜水搅拌机
铸件式的潜水搅拌机主要由潜水电机、密封机构、叶轮、导流罩、手摇葫芦、安装系统、电气控制等部分构成。搅拌叶轮在电机驱动下旋转搅拌液体,使之产生旋向射流,并利用沿着射流表面的剪切应力来进行混合,使流场以外的液体通过摩擦产生搅拌作用,在极度混合的同时,形成体积流,应用大体积流动模式得到受控流体的输送。
QJB潜水搅拌机可以在不排空池子的污水情况下,安装使用潜水搅拌机,使用双导轨式安装方法,直接将装配完好的潜水搅拌机直接放在池子中,然后接通电源调试即可。
双导杆潜水搅拌机也是属于推流机的一种,采用两根导杆的形式结构,所以也称之为双导杆搅拌机。
液下搅拌器QJB4/12-620/3-480S
江苏杜安环保QJB4/12-620/3-480S潜水搅拌机配套电气技术说明
4.3.1 电动机及轴承
(1)电动机选型按 F 级考虑,B 级温升,选用高原型电机,高效节能型,并满足
GB18613-2012 标准国家 2 级能效等级电机。
(2)电动机转子采用铜条结构,导体和端环之间采用可靠的焊接工艺,并应采取防止导条断裂的可靠措施,经高精度动平衡校验,电动机运转平稳,振动速度有效值不高于
1.5mm/s。
(3)对于滑动轴承电机,应选择端盖式球面滑动轴承,投标方确保电动机运行期间不
漏油。如发生漏油情况,在电机生命周期内免费维修。
(4)电动机前后端有轴承注油孔。
(5)电动机必需与它所驱动的设备运行条件、维护条件一致,电动机功率及启动特性
满足被驱动设备整个性能范围内的要求。
(6)电动机噪音及振动满足相关 GB 规定。
(7)电动机按冷态启动两次或热态启动一次进行校验,定子导体温度不应超过 120 度,
电动机起动电流及启动时间计算书应提供给买方。
(8)电机能再全浸没条件下连续运行、间歇运行和长期停止状态(正常工艺停机)后恢复运行,搅拌器再整个运行中保持平稳状态,电动机设计使用寿命不少于 30 年,电动机应能够连续满负荷运行超过 16000 小时,而不需要停机维修。供方应根据电动机数据表中的规定,提高电动机效率,电动机效率不低于 GB 30254-2013 中的 2 级能效。GB30254-2013中未做规定的 10kV 电机的能效标准,按照 6kV 相应规格的 2 级能效标准降 0.2 个百分点执行。
(9)电机质量证明文件、运行使用说明书、维护说明书、装配图和安装说明书、电动机总图及安装图(全部外形尺寸、装配尺寸、内部风道、基础留孔、荷重等)、转速---转矩特性曲线、启动特性曲线,起吊方式、绕线方式、绝缘材料形式、线圈温升、堵转扭矩、制动扭矩、制动电流、满载电流、功率因数、旋转方向等。
(10)电动机现场试验:振动试验、电动机噪声测量、电动机绝缘试验等符合要求。
(11)电动机外壳应提供用于连接接地线的螺栓。
(12)当电源电压与额定电压的偏差不超过±10%时,电动机输出功率须连续保持为额
定值,此时温升按 B 级(绝缘等级为 F 级)考核。
(13)电机的绝缘等级应该遵循 IEC 标准。绕组绝缘等级应为“F”级,在较大额定值连续运行时的温升为“B”级,接线盒应有相同绝缘等级。
(14)电动机在电源系统发生 0.3 秒内的晃电情况下,电动机端子电压应能 3 秒内恢复到 80%,并再加速并恢复到正常运行水平。
(15)电源频率为额定值 50Hz 时, 电源电压在 75%额定电压时,电机能连续运行 2 分
钟而无有害过热。(即电机任何部位较高表面温度不超过 T2 组所允许的温度 135℃)
(16)电机在同步转速下运行时,电压突然下降到额定电压的 70%达 2 秒钟,电机能正常运行。
(17)电机在 1.20 倍额定转速下运行 2 分钟不变形。
(18)电动机滑动轴承的性能应满足国际标准化组织的规范要求。自润滑的滑动轴承要保证内部有充足的油,以确保至少要在整个设备的双倍运行周期内不需要供应新油。原则上由从动机供货商提供强制润滑油单元;每个进油管应有一个流量计和带手动阀的压力表,至少带有“流量低”指示。换油间隔应不早于 2000 运行小时(自润滑滑动轴承换油间隔时间不少于 8000 运行小时)。
质保一年
含税运

