商铺名称:苏州友皓工业自动化有限公司
联系人:杨铮()
联系手机:
固定电话:
企业邮箱:
联系地址:苏州市吴中区木渎镇中山东路111号1幢3A17室
邮编:
联系我时,请说是在新塑胶网上看到的,谢谢!
产品参数 | |||
---|---|---|---|
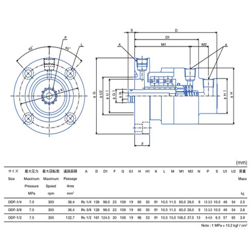
代理销售 FAWICK 旋转接头 ODF-1/4 友皓工业自动化 型号 | ODF-1/4 | ||
最大压力 | 7.0MPa | ||
最大转数 | 300rpm | ||
通路面积 | 38.4mm2 | ||
A尺寸 | 1/4 | ||
D尺寸 | 126 | ||
D1尺寸 | 98.0 | ||
F尺寸 | 23 | ||
G尺寸 | 108 | ||
重量 | 2.5kg | ||
品牌 | FAWICK |
油压用2通路口旋转接头
油压用2通路旋转接头是通过轴端部2个独立通路供给流体的。各通路如1方通路是轴承给油用,另1通路是安装于回转轴的执行机构用的话,以各自不同目的进行使用。也作为油循环系统使用。