商铺名称:广州飞灿贸易有限公司
联系人:李经理(先生)
联系手机:
固定电话:
企业邮箱:sales@gzfeican.com
联系地址:番禺区石桥街道39号
邮编:511442
联系我时,请说是在新塑胶网上看到的,谢谢!
我司代理销售
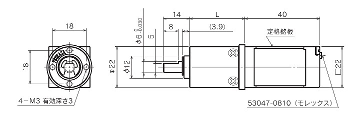
日本 TSUKASA 无刷直流电机 TG22A-FU-4-KA
TG-22A-FU-16-KA,24V
TG-22A-FU-64-KA,24V
TG-22A-FU-256-KA,24V
TG-22D-FU-4-KA,12V
TG-22D-FU-16-KA,12V
TG-22D-FU-64-KA,12V
TG-22D-FU-256-KA,12V
型号齐全价格货期优势,欢迎来询
日本 TSUKASA 无刷直流电机 TG22A-FU-4-KA
日本 TSUKASA 无刷直流电机 TG22A-FU-4-KA
(2.6W)
?超小型22角
?低価格
軸受にボールベアリング採用
ブラシレスのため長寿命
小型コネクタの採用によりモータ着脱が容易
インナーロータ構造のため低イナーシャで制御が可能
※モータをK駆動する場合、別途ドライバが必要となります。


